Opis produktu
Statyw do podtrzymywania i pozycjonowania posuwu
KOMPATYBILNY ZE WSZYSTKIMI STATYWAMI MAGGI (W TYM STARSZYMI MODELAMI) ORAZ Z INNYMI MARKAMI DOSTĘPNYMI NA RYNKU!
Statyw to idealny dodatek do posuwu, który umożliwia jego pozycjonowanie oraz precyzyjną regulację na maszynie do obróbki drewna. Opatentowany system EASY SWIVEL JOINT UNIT pozwala na obrót posuwu za pomocą jednego kliknięcia!

Cechy:
- Stabilna i wytrzymała: podstawa, element krzyżowy, rura,EASY SWIVEL JOINT UNIT wykonane z żeliwa; kolumny pionowe i poziome wykonane ze stali rektyfikowanej o znacznej grubości.
- Łatwy w pozycjonowaniu: dzięki stalowym kluczykom blokującym i pokrętłom regulacyjnym.
- Obrót za pomocą jednego przycisku: Dzięki OPATENTOWANEMU ŁATWEMU OBROTOWEMU ZŁĄCZOWI można łatwo i szybko przechylić urządzenie zasilające.
- Bezpieczne i niezawodne: Urządzenie zabezpieczające SPS SYSTEM zapobiega przypadkowemu odłączeniu się elementów, zgodnie z przepisami bezpieczeństwa CE.
- 60 lat doświadczenia i ponad 400 000 wyprodukowanych maszyn. Wysokie standardy jakości i niezawodności gwarantowane przez procesy Lean Manufacturing oparte na systemie produkcyjnym Toyoty.
Dane:
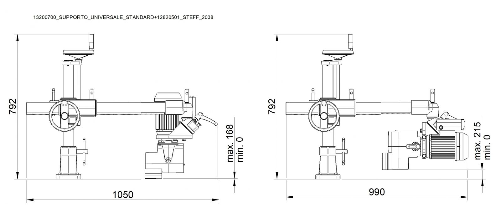
- Kolumna pionowa: długość 540 mm, średnica wewnętrzna 58 mm.
- Kolumna pozioma: długość 705 mm, średnica wewnętrzna 58 mm.
- Ręczny system pozycjonowania za pomocą kluczy blokujących i pokręteł regulacyjnych, SZYBKI OBRÓT dzięki opatentowanemu EASY SWIVEL JOINT UNIT.
- Łatwe w użyciu złącze obrotowe, średnica wewnętrzna kołnierza 75 mm, grubość 20 mm,
- Podstawa z otworem centralnym o średnicy 58 mm, 4 otwory montażowe o średnicy 13 mm, rozstaw otworów: 90 mm na krótszym boku, 108 mm na dłuższym boku
W zakresie dostawy:
- 1 rura pozioma wykonana ze stali rektyfikowanej, długość 705 mm
- 1 pionowa rura wykonana ze stali rektyfikowanej, długość 540 mm
- 1 pokrętło z zębatką do regulacji wysokości
- 1 pokrętło z zębatką do regulacji ruchu poziomego
- 1 żeliwna EASY SWIVEL JOINT UNIT
- 1 żeliwna podstawa
- 6 aluminiowych kluczy blokujących do zabezpieczania i zwalniania elementów
Wyposażenie opcjonalne:
- Zacisk przechylny 96 - Umożliwia zamocowanie podstawy stojaka uniwersalnego z boku stołu roboczego oraz szybkie przechylenie zespołu zasilającego w celu zwolnienia miejsca do konserwacji i/lub innych czynności regulacyjnych (nr części 22100151).
-
Dodatkowa statyw - Zwiększa stabilność 6-rolkowego statywu podczas intensywnej pracy, minimalizując drgania i zapewniając stałe i równomierne podawanie obrabianego elementu do narzędzia (nr części: 21100100).
statyw STANDARD EASY
SKU: 1078468
Statyw do posuwu MAGGI Standard EASY
Skontaktuj się z naszymi handlowcami





Kontakt z doradcą
Możesz zapytać o maszynę sprzedawcę lub umówić się z technikiem na prezentację.
















